IHMC Public Cmaps

        I.I.2016
            ZML1
            IEEE 1451 (z)

                1 IEEE1451.cmap
                93C86 DIP.bmp
                ADuC8112 Webpage.url
                ADuC812.url
                ADuC812.jpg
                An Overview of IEEE 1451.4 Transducer Electronic Data Sheets (teds).pdf
                Aplicación de medida y control distribuido.bmp
                Arquitectura IEEE 1451.jpg
                Cronograma TII.jpg
                Datasheet 93C86.url
                Datasheet MCP3201.pdf
                Descripción Pines uC.bmp
                Diagrama funcional MCP3201.jpg
                Diseño STIM.cmap
                Diseño STIM ADuC812.cmap
                Diseño TEDS.cmap
                Editor TEDS.cmap
                Editor TEDS (HBM).cmap
                Ejemplo STIM.cmap
                Ejemplo STIM PIC.cmap
                Encapsulado MCP3201.jpg
                Estructura.jpg
                Familia de standards.jpg
                Familia de standards 2.jpg
                IEEE.url
                IEEE.cmap
                IEEE 1451.0.url
                ieee 1451.4.url
                IEEE 1451.4 MMI.url
                IEEE 1451.X.cmap
                IEEE1451 1.url
                IEEE 1451 architecture.bmp
                IEEE 1451 Functional Block.bmp
                IEEE-P1451.2 Smart Transducer Interface Module.pdf
                image.jpg
                Implemtación ADuC812.jpg
                NCAP.url
                NCAP.cmap
                NI IEEE 1451.4.url
                NIST IEEE1451.url
                PIC16C62A.jpg
                Recursos NIST.url
                Ref1.url
                Sensores inteligentes.cmap
                Sensor STIM.url
                SIGNAL CHAIN FROM ANALOG SENSOR TO DIGITAL NETWORK.bmp
                Sinopsis.url
                Smart Sensor Network System (TBIM).url
                standard.url
                STIM.cmap
                STIM1.cmap
                STIM TII NCAP 812.bmp
                STIM to NCAP.jpg
                TEDS.cmap
                TEDS1.bmp
                TEDS2.bmp
                TEDS 8 secciones.cmap
                TEDS aduc812.txt
                TEDS Basic.bmp
                TEDS ejemplo.bmp
                TEDS Examples.gif
                TEDS Generator.url
                TEDS HBM.url
                TEDS NI.cmap
                TEDS Overview.cmap
                TEDS RTD Template.bmp
                TEDS Standard Templates.bmp
                TEDS Thermistor Template.bmp
                TEDS Thermocouple Template.bmp
                TEDS y Arduino.url
                TEDS y Comandos IEEE1451.url
                The PICmicro® MCU as an IEEE 1451.2 Compatible Smart Transducer Interface Module (STIM).pdf
                TII.cmap
                TII PIC.bmp
                TII signals.jpg
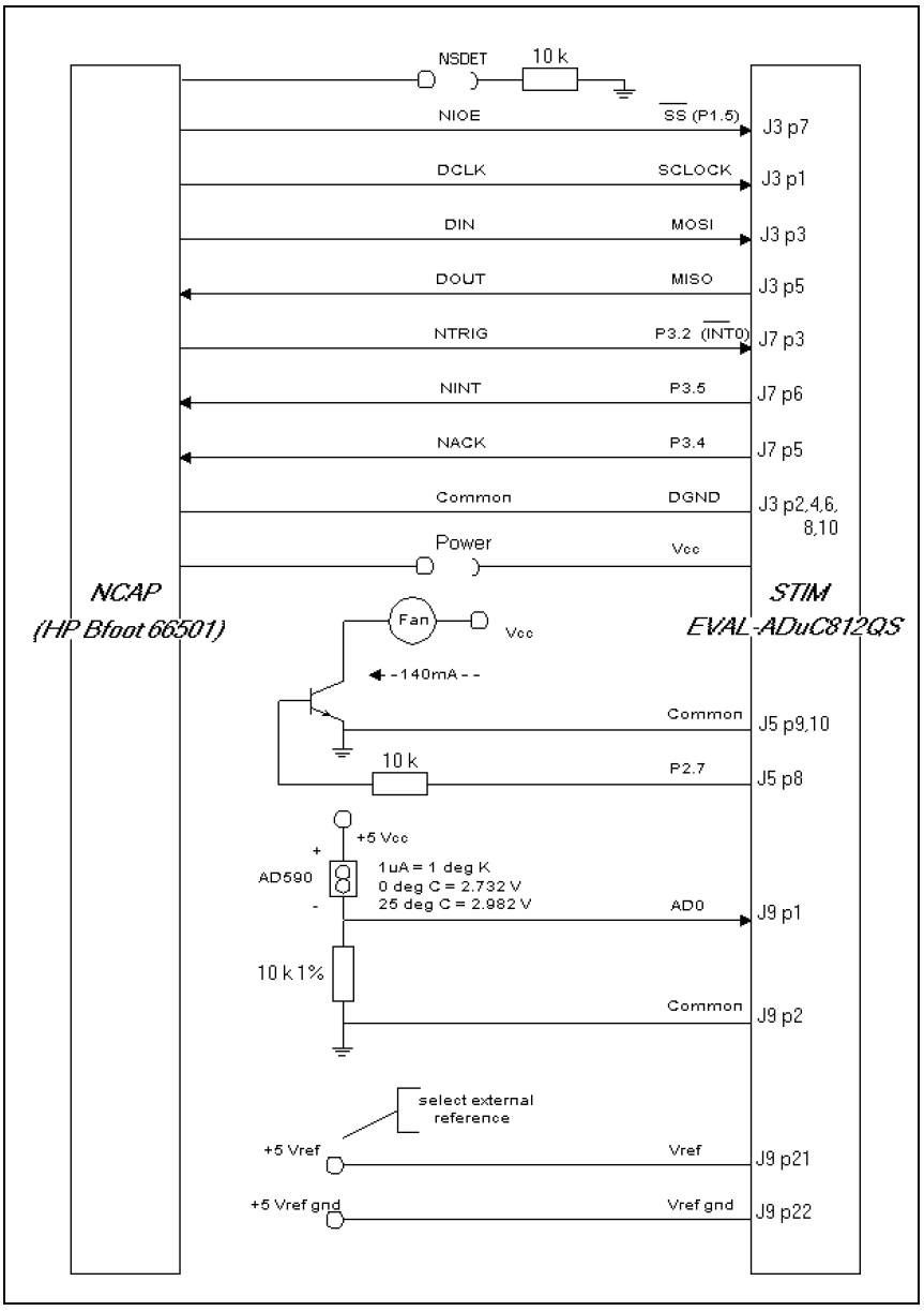
                uC003___The_ADuC812_as_an_IEEE_1451.2_STIM.pdf
                uCPIC16C62A.pdf
                Understanding IEEE 1451.pdf
                Unified Web Service.jpg