Warning:
JavaScript is turned OFF. None of the links on this page will work until it is reactivated.
If you need help turning JavaScript On, click here.
The Concept Map you are trying to access has information related to:
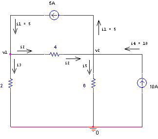
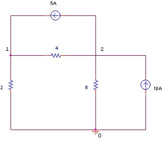
Nodal Analysis, Nodal Analysis Applied to AC Circuits as Steps to analyze AC Circuits 1. Transform the circuit to the phasor or frequency domain. 2. Solve the problem using nodal analysis. 3. Transform the resulting phasor to the time domain., Steps to Determine Node Voltages 1. Select a node as reference node. Assign voltages v1, v2, ...vn-1 to the remaining n-1 nodes. 2. Apply KCL to each of the n-1 non reference nodes. Use Ohm's law to express the branch currents in terms of node voltages. 3. Solve the resulting simultaneous equations to obtain the unknown node voltages. Example is Calculate node voltages in the circuit given below, Calculate node voltages in the circuit given below Applying Nodal Analysis, we get , Kirchhoff's Current Law Mathematical Form is Where N is the number of branches connected to the node, Kirchhoff's Current Law Stated as The algebraic sum of currents entering a node (or a closed boundary) is zero, Nodal Analysis Applied to DC Circuits as Steps to Determine Node Voltages 1. Select a node as reference node. Assign voltages v1, v2, ...vn-1 to the remaining n-1 nodes. 2. Apply KCL to each of the n-1 non reference nodes. Use Ohm's law to express the branch currents in terms of node voltages. 3. Solve the resulting simultaneous equations to obtain the unknown node voltages., Steps to analyze AC Circuits 1. Transform the circuit to the phasor or frequency domain. 2. Solve the problem using nodal analysis. 3. Transform the resulting phasor to the time domain. Example is Compute V1 and V2 in the circuit given below, Compute V1 and V2 in the circuit given below Applying Nodal Analysis, we get , Nodal Analysis Basis is Kirchhoff's Current Law